Přejít na hlavní navigaci Přejít na změnu jazyku Přejít na vyhledávání


  • Podloží: Perm
  • Geomorfologické řazení: Žacléřská vrchovina
  • Katastrální území: Zlatá Olešnice
  • Obec: Zlatá Olešnice
  • GPS: 50°35'59.659"N, 15°56'53.463"E (zobrazit na mapě)

GPS souřadnice:
50°35'59,659"N
15°56'53,463"E

Lom Libeč

Opuštěný zatopený kamenolom odkrývá bazaltandezitové vulkanické horniny v severní části zóny Hronovsko-poříčského zlomu.

Bazaltandezity (dříve nazývané melafyry nebo též paleobazalty) v lomu u Libče vystupují ve výše zmíněných vrstvách v mocnosti 60 m a táhnou se v délce 1 km. V lomu jsou dobře pozorovatelné 2 lávové proudy (spodní s výraznou sloupcovitou odlučností, svrchní proud značně rozpadavý) a svrchní kontakt tělesa s nadložními pískovci petrovických vrstev. Bazaltandezit je zde masivní, jemnozrnný, má mikroporfyrickou až porfyrickou texturu a intersertální základní hmotu, ve které je hlavním minerálem lištovitý plagioklas. Kromě plagioklasu je v základní hmotě i klinopyroxen, devitrifikované vulkanické sklo a limonitový pigment. Z vyrostlic jsou zastoupeny nejčastěji kalcit–limonitové pseudomorfózy po olivínu a granátech, ojediněle také plagioklas.

Další informace:
http://lokality.geology.cz/3378

Z archivního materiálu vypracoval: Stanislav Stařík

Popis typické horniny:
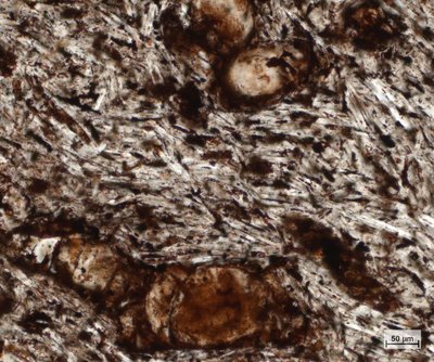
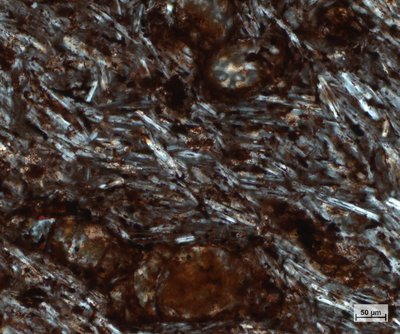
Bazaltandezit (melafyr)

Makroskopicky masivní jemnozrnná hornina tmavě fialové barvy, s rezavým nádechem. Na odlučných plochách jsou rezavé povlaky. V hornině nejsou vidět žádné vyrostlice. Úlomky nepatrně zvoní. Mikroskopicky je hornina mikroporfyrická s trachytickou základní hmotou. Z vyrostlic jsou zastoupeny především alterované hematit-limonitové pseudomorfózy po Fe-Mg silikátech (olivíny, granáty). Jsou velké 0.1–0.5 mm, některé jsou vyplněny kalcitem nebo chalcedonem. V základní hmotě jsou jemné lišty plagioklasu, rozložený pyroxen, opakní minerály a limonitový pigment. Plagioklas má tendenci k proudovitému obtékání pseudomorfóz.

Petrografický popis: RNDr. Tamara Sidorinová (ČGS), RNDr. Zuzana Tasáryová, Ph.D. (ČGS), Mgr. Vladislav Rapprich (ČGS)

Fotografie: Stanislav Stařík
Mikrofotografie: RNDr. Tamara Sidorinová, ČGS

Vyhledat místo


CZ